机组启动过程中励磁未建压原因分析
2023-09-06 半岛体育在线注册,半岛体育(中国)
流量检测方法与仪表-差压式流量计
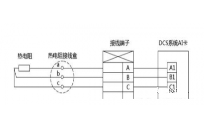
温度显示波动检修案例PT100
2023-09-05 半岛体育在线注册,半岛体育(中国)
锅炉汽包水位测量知识分享
GIS设备投运检查及设备巡视要求
2023-09-04 半岛体育在线注册,半岛体育(中国)
油田配气站工艺设备“低老坏”问题的排查与整治
电气设备发热原因分析及整改措施
煤矿机电系统主要设备管理办法
2023-09-01 半岛体育在线注册,半岛体育(中国)