新闻动态
半岛体育在线注册,半岛体育(中国)
半岛体育在线注册,半岛体育(中国)
关于我们
公司简介
在线反馈
联系我们
产品展示
全部
传感器/变送器
流量计系列
液位/料位系列
阀门/执行装置
液压/气动元件
检维修工器具
化验/分析仪器
其他机电仪产品
新闻动态
全部
行业知识
企业新闻
资料下载
客户案例
新闻动态
推荐
热门
最新
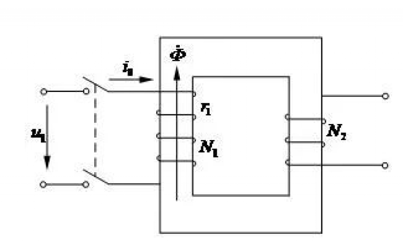
变压器励磁电流大小是否可以控制
变压器励磁电流大小是否可以控制
2022-07-26
半岛体育在线注册,半岛体育(中国)电气
上一页
1
2
3
4
5
下一页
转至第
首页
产品
新闻
联系
乐鱼在线平台
|
开云体育在线注册
|
时博体育官方_时博体育网址_时博体育登录
|
华体会体育在线注册
|
米兰网页版登录入口
|
云博体育App下载
|
时博在线平台
|
星空网页版登录入口
|
乐动体育在线注册
|